注 意 事 项
一、本试卷依据2001年颁布的《维修电工》国家职业标准命制。二、请根据试题考核要求,完成考试内容。三、请服从考评人员指挥,保证考核安全顺利进行。
试题1、进行1.5~2.5 mm2单股铜芯绝缘电线的T形连接,并在连接处进行绝缘恢复。
考核要求:
(1)连接方法正确,合乎规定;连接紧密,缠绕圈数合适,导线不得损伤。在电线连接处包缠两层绝缘带,方法正确,质量符合要求。
(2)正确使用工具。
(3)考核注意事项:
① 满分10分,时间为20分钟。
② 安全文明操作。
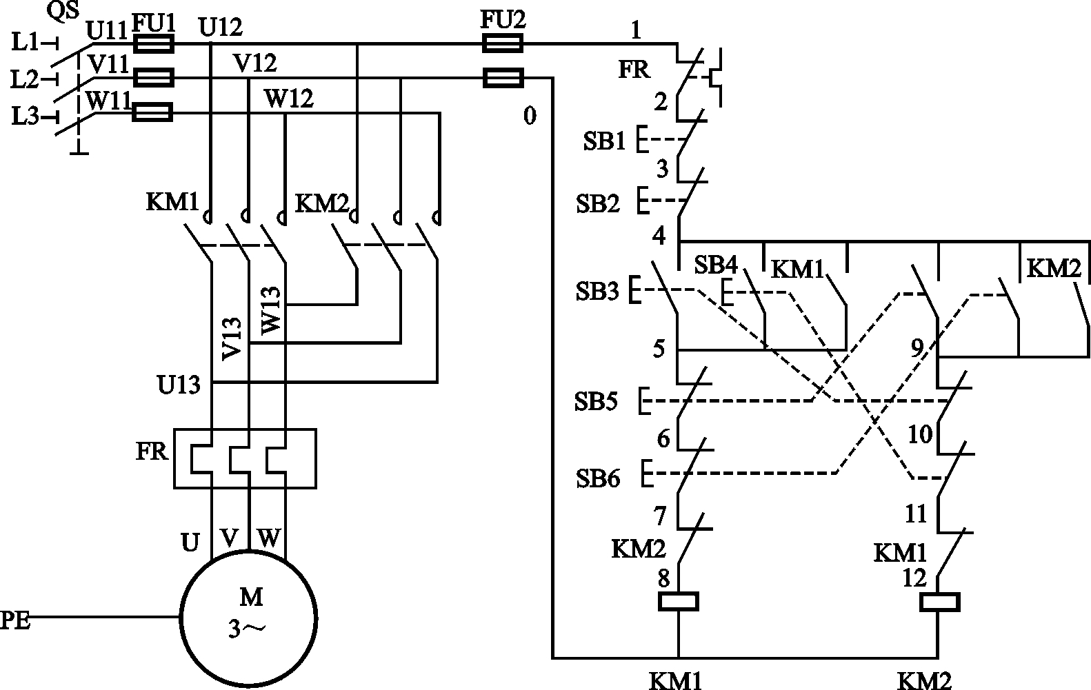
试题2、安装和调试三相异步电动机双重联锁正反转控制电路。

图2.1-03
考核要求:
(1)按图纸的要求进行正确熟练地安装;元件在配线板上布置要合理,安装要正确紧固,布线要求横平竖直,应尽量避免交叉跨越,接线紧固美观。正确使用工具和仪表。
(2)按钮盒不固定在板上,电源和电动机配线、按钮接线要接到端子排上,要注明引出端子标号。
(3)安全文明操作。
(4)注意事项:满分30分,考试时间210分钟。
试题3、检修三相异步电动机工作台自动往返控制线路模拟板上的故障。
考核要求:
(1)从设故障开始,考评员不得进行提示。
(2)根据故障现象,在电气控制线路上分析故障可能产生的原因,确定故障发生的范围。
(3)排除故障过程中如果扩大故障,在规定时间内可以继续排除故障。
(4)正确使用工具和仪表。
(5)考核注意事项:满分40分,考试时间45分钟。
否定项:故障检修得分未达20分,本次鉴定操作考核视为不合格。
试题4、用万用表判断三相异步电动机定子绕组的首末端。
考核要求:
(1)工具、设备的使用与维护要正确无误,正确判断三相异步电动机定子绕组的首末端。
(2)考核注意事项:
① 满分10分,考试时间20分钟。
② 安全文明操作。
否定项:不能损坏仪器仪表,损坏仪器仪表扣10分。
试题5、在各项技能考核中,要遵守安全文明生产的有关规定。
考核要求:
(1)劳动保护用品穿戴整齐。
(2)电工工具佩带齐全。
(3)遵守操作规程。
(4)尊重考评员,讲文明礼貌。
(5)考试结束要清理现场。
(6)遵守考场纪律,不能出现重大事故。
(7)考核注意事项:
① 本项目满分10分。
② 安全文明生产贯穿于整个技能鉴定的全过程。
③ 考生在不同的技能试题中,违犯安全文明生产考核要求同一项内容的,要累计扣分。
否定项:出现严重违犯考场纪律或发生重大事故,本次技能考核为不合格。